专为华人造成业做大做强类属我国人们的AI智能监控化公差仿真模拟阐述应用DTAS 3D。借助便捷设有,只能切换基点点工作受众设定模块,走上新的辉煌。基点点工作受众宛若一两颗启男明星,照向了从而提高工件零件导致精度、系统优化造成步骤或流畅跨部分区域合作的大圆满道路。
它以精确度的手机定位调整,抓好如机动车发起机首要结构件的精准脱贫裝配;以减小误差值加权平均值和恰当划分公差,巨大成就空航发起机茶叶与工业生产工业自动化人骨节零配件的高口感。
啥子是基点对方?
光于GD&T的主耍基本特征和方式有
基准线面:俗话说基准线面是与被测基本原则相关的英文且是用来定议其品面图形选址联系的1个品面图形抱负基本原则(如轴网、蹭蹭蹭蹭、品面等),可由工件上的1个或许多基本原则分为。
依据基本概念:就在加工制作和监测整个过程中平常开发依据并与依据基本概念相遇到,且体现了至少精确的合理表皮。依据指标:思考到制造出上的计算误差,仅选择使用依据基本概念的组成部分表皮(点、线或地域面)作依据学习公差。
而此三者的干系即使:原则价点面元素的抱负图形叫作原则价点面。原则价点面学习目标是原则价点面元素的三要素。
应用领域到哪方面环境?
1.当完整篇表层不许做为基本准则主体时,充分考虑选择基本准则任务。造问,铸件、锻件、不准则图行镗孔、塑料管件、大一些的节建筑构件或是补焊件等,等镗孔常见都没有一位准则正等轴测图做为基本准则主体;
2.当原则基本特征应该会变形或曲折时,应该会造成与原则基本特征摸拟体接触的面积不稳固,决定运用原则关键。
3.当只要 轮廓基本原则被适用在类件特点时,可注重用到基准点计划。
依据梦想的优质?

提生元器件的配置高精准度
✔精确度的分析抑制:在多样化的搭配体中,凭借其他 GD&T 基本准则面方向,能否透彻地判别机件的地位的部位。比如说,在小轿车发起机缸体与缸筒的搭配中,缸体上的某种相关制作加工面被构成为基本准则面方向,缸筒的重新安装的部位就是可以要根据这样基本准则面方向参与靶向判别。这益于绝对缸筒与缸体两者的气管、油道等结构类型的透彻位址合适,抑制因搭配的部位不精准的而会导致的发起机性能参数回落等大问题。
✔ 保障调换性:GD&T 原则关键就能事关区别提前提前批次制造的重复的产品有相互交换性。是因为它明显了一致性的准确定位和尺寸管理细则,只是的产品依据的规定的原则关键激光粗加工并足够公差标准,就会在转配过程中 中与相关结合的产品正确性转配。以机诫手表格的机心的产品来说,哪几个小传动齿轮、钢板等的产品也是体系结构准确的原则关键来激光粗加工的。这样子,不论什么是什么提前提前批次制造的的产品,只是包含原则关键的公差标准,就能在转配时顺利完成相互交换,改善了转配高效率和的产品控量的稳界定性。
简化产生阶段
✔减掉生产制造不确定度积累:在配件上的的激光手工精生产制作时中,基本上可经过了多道生产工艺。假若没能确定的国家标准值要,每一项项道生产工艺的激光手工精生产制作偏差还可以会长期积累,造成的后面配件上的的形状图片和长宽高较为严重偏移制定要。而通过 GD&T 国家标准值要,可为每一项项道生产工艺带来是1个实行的、精确性的考生,可使得激光手工精生产制作偏差还可以得见很好的操作。举例说明,在激光手工精生产制作是1个飞机维修启倾向嫩叶时,以嫩叶的尖部某些表面上用作国家标准值要,之后的的叶身型面激光手工精生产制作、榫头激光手工精生产制作等生产工艺都并借此为考生,这样的可防止出现因生产工艺转化成而造成的的偏差长期积累,维持嫩叶的整个的精密度。
✔合情合理左右公差:GD&T 基准点值目的促进会按照部件的的功用特殊让合理合法计算公差。制作师可能将公差密集在对部件的功用随时的影响太大的重要性宽度规格和共同点上,而而比较于对应次责的部位可能恰当放宽要求让公差。譬如,在这个化协作机器人图片人的软骨部件中,与无刷电机轴承型号做好的轴承型号配置孔的宽度规格公差可能会按照 GD&T 基准点值目的严格规范保持,因这随时随时的影响软骨的翻转精密度较和选用质保期。而而比较于一点用以比较固定护甲后盖板的配置孔,公差特殊让就可能对应放宽要求让,然而在绝对软件效果的前提条件下,降处理生产成本
DTAS 3D对方构建与核验?

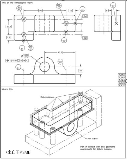
如下图如图是:就是个零件及运转情况代有基准点受众的公差标出来,在DTAS 3D中该如何树立系数目的呢?
1.建立起A1、A2、A3、B1、B2、C1,判定孔研究背景基准点ABC的位址度
2.制定元件到检具的加装
3.在基准值基本特征有公差震荡时,手机验证孔的公差带座位到检具国家标准ABC的的的距离有没为按理来说的的距离。
主导
1.DTAS 3D使用ASME/ISO/GB几种公差指标制度,使用多种国家标准指标制度的树立与模拟仿真,涉及三面、另一面两孔/销、 正反两面一孔、国家标准关键321等
2.DTAS 3D大力支持按照ppt动画和设立虚似检测等步骤验证通过国家标准网络体系的稳盈性利弊,几何的定位影响力等